SUNFORD VALVES

Piston Valve Up to 200nb

Piston Valve Up to 200nb

Technical Specification

Design Standard B16.34/EN 12516.2
Testing Standard API 598
Face To Face Standard ASME B 16.10
Flange End Standard ASME B 16.5
Hydraulic Test Pressure
Body 31 Kg/cm²
Seat & Back Seat 22 Kg/cm²
Air Test 07 Kg/cm²
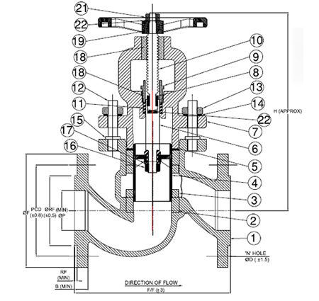
Part List
Sr. No. Item Description Material
1 Body ASTM A 216 GR. WCB
2 Seat Ring GRAPHITE WITH SS304 RAINFORCED
3 Lantern Bush ASTM A276 TYPE SS 410
4 Piston ASTM A 216 GR. WCB
5 Bonnet Sealing Ring GRAPHITE
6 Spindle ASTM A276 Type SS 410
7 Bonnet ASTM A 105 / ASTM A 216 GR. WCB
8 Split Nut Brass IS319 GR.1
9 Gland Nut ASTM A276 TYPE SS 410
10 Stem ASTM A276 TYPE SS 410
11 Stem Seal Ring GRAPHITE WITH SS304 RAINFORCED
12 Stud ASTM A 193 GR.B7
13 Nut ASTM A 194 GR.2H
14 Belleville Washer 50 CR V4 / ASTM 240 GR.302
15 GAP Ring ASTM A276 Type SS410
16 Flat Washer ASTM A276 Type SS410
17 Spindle Nut ASTM A 194 GR.2H
18 Yoke Bronze
19 Handwheel MI /SGIRON
20 Handwheel Washer MS
21 Handwheel Nut ASTM A 194 GR. 2H
22 Thrust Plate ASTM A 276 Type SS410
Size F/F(mm) ∅P(mm) H Open(mm) H Close(mm) ∅F(mm) RF(mm) FT(mm) RFH(mm) PCD(mm) N ∅WH ∅D(mm)
80 318 80 400 330 210 127 27 1.70 168.30 8 300 19
100 356 100 510 420 255 157.20 30.20 1.70 200.00 8 300 19
150 444 152 615 495 320 215 35 1.70 269.90 12 350 22.20

Industries We Serve

Chemical Industries
Chemical Industries
Pharmaceutical Industries
Pharmaceutical Industries
Petrochemical Plant
Petrochemical Plant
Textile Industries
Textile Industries
OEM & Contrators
OEM & Contrators
Pulp, Paper, Sugar Industries
Pulp, Paper, Sugar Industries
Water Treatment Plant
Water Treatment Plant
Steel & Power Plant
Steel & Power Plant
Top