SUNFORD VALVES
Eccentric Butterfly Valve
Eccentric Butterfly Valve
Pressure Rating | Hydrostatic Shell Test | Hydrostatic Seat Test | ||
---|---|---|---|---|
Kg/cm² | PSI | Kg/cm² | PSI | |
PN10 | 15 | 210 | 10 | 140 |
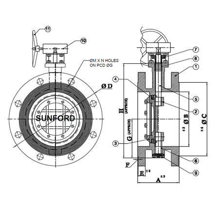
Part List | ||
---|---|---|
Sr. No. | Item Description | Material |
1 | Body | WCB / SS 304 / SS 316 |
2 | Disc | WCB / SS 304 / SS 316 |
3 | Retainer | WCB / SS 304 / SS 316 |
4 | Spindle | SS 410 / SS 304 / SS 316 |
5 | Shaft | AISI 410 / SS 304 / SS 316 |
6 | Shaft Bearing Bush | AISI 410 / SS 304 / SS 316 |
7 | Gland | AISI 410 / SS 304 / SS 316 |
8 | Gland Packing | PTFE |
9 | Bottom Steam Cover | MS / SS 304 |
10 | Gear | CAST IRON |
11 | Wheel | M.S |
DOUBLE ECCENTRIC DISC DESIGN | |||||||||||
---|---|---|---|---|---|---|---|---|---|---|---|
Size | A | ∅B | C | ∅D | E | F | G | H | ∅G | ∅M | N |
80 | 114 | 85 | 127 | 191 | 22.2 | 1.6 | 75 | 200 | 152 | 19 | 04 |
100 | 127 | 108 | 157 | 229 | 22.2 | 1.6 | 90 | 230 | 191 | 19 | 08 |
125 | 140 | 125 | 186 | 254 | 22.2 | 1.6 | 105 | 260 | 216 | 22 | 08 |
150 | 140 | 152 | 216 | 279 | 23.8 | 1.6 | 115 | 285 | 241 | 22 | 08 |
200 | 152 | 200 | 270 | 343 | 27.0 | 1.6 | 145 | 345 | 298 | 22 | 08 |
250 | 165 | 252 | 324 | 406 | 28.6 | 1.6 | 185 | 415 | 362 | 25 | 12 |
300 | 178 | 305 | 381 | 483 | 30.4 | 1.6 | 210 | 495 | 432 | 25 | 12 |
350 | 190 | 352 | 413 | 533 | 30.4 | 1.6 | 230 | 550 | 476 | 28 | 12 |
400 | 216 | 405 | 470 | 597 | 35.0 | 1.6 | 260 | 610 | 540 | 28 | 16 |
450 | 222 | 452 | 533 | 635 | 38.4 | 1.6 | 295 | 670 | 578 | 32 | 16 |
500 | 229 | 505 | 584 | 699 | 41.4 | 1.6 | 330 | 745 | 635 | 32 | 60 |
600 | 267 | 610 | 692 | 813 | 46.1 | 1.6 | 395 | 870 | 749 | 36 | 20 |
Industries We Serve

Chemical Industries

Pharmaceutical Industries

Petrochemical Plant

Textile Industries

OEM & Contrators

Pulp, Paper, Sugar Industries

Water Treatment Plant
