SUNFORD VALVES
Ball Valves 3 Pcs Screw Ends
Ball Valves 3 Pcs Screw Ends
Design & Manufacturer Standards
| Valve Design / Shell Thickness | BS5351 / API 6D |
|---|---|
| Face to Face | ANSI B 16.10 / API 6D |
| Flanged End Connections | ASME B 16.5 |
| Pressure Temp. Ratings | ASME B 16.34 |
| Inspection & Testing | API 598 |
| Fire Safe | API 607 |
| Butt Weld Ends | ASME B 16.25 |
| Hydraulic Test Pressure | ||
|---|---|---|
| Body | 32 Kg/cm² | |
| Seat Test | 23 Kg/cm² | |
| Air Test | 07 Kg/cm² | |
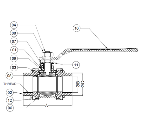
| Dimensions | ||||
|---|---|---|---|---|
| Size | A | ∅B | ∅C | Thread (Female) |
| 15 | 77 | 12.5 | 26 | BSP/NPT |
| 20 | 84 | 19 | 32 | BSP/NPT |
| 25 | 90 | 25 | 41 | BSP/NPT |
| 40 | 11 | 38 | 56 | BSP/NPT |
| 50 | 127 | 50 | 67 | BSP/NPT |
| Part List | ||
|---|---|---|
| Sr. No. | Item Description | Material |
| 1 | Body | ASTM A 216 GR. WCB / A 352 LCB / A 217 WC6 / A 351 CF8 / CF8M / CF3 /CF 3M |
| 2 | Side Piece | |
| 3 | Ball | AISI 304/ 316 / ASTM A351 GR. CF8/CF8M |
| 4 | Stem | S.S. 304 / 316 |
| 5 | Seat Ring | VIRGIN PTFE / CFT / GFT |
| 6 | Body Ring | VIRGIN PTFE / CFT / GFT |
| 7 | Gland Ring | VIRGIN PTFE / CFT / GFT |
| 8 | Gland Nut | S.S. 304 / 316 |
| 8 | Stem Seal | VIRGIN PTFE / CFT / GFT |
| 10 | Handle | AISI 202 / 304 / 316 |
| 11 | Belly Velly Washer | S.S. 304 / 316 |
| 12 | Nut & Washer | S.S. 304 / 316 |
